
द Stm8S103F3P6P6 के यसको प्रभावशाली लघुनिरोलरले यसको प्रभावशाली कार्यक्षमता र विवेकहीन एकीकरणको लागि प्रख्यात छ।यो कम्प्याक्ट उपकरण सतह-माउन्ट गरिएको उपकरण (एसएमडी) माउन्टिंग शैलीको साथ सुसज्जित छ, उन्नत कोर र परिधीयता प्रविधिको प्रयोग गरेर सावधानीपूर्वक निर्मित छ।1 16 MHZ को फ्रिक्वेन्सीको साथ, STM8S103F3P CORT ले एक मजबूत डाटा प्रशोधन र ह्यान्डलिंगको सुनिश्चित गर्दछ।यसको स्वतन्त्र वाचडडग टाइमर, एक स्वतन्त्र घडी स्रोत र घडी सुरक्षा प्रणाली संग सुसज्जित, इष्टतम उपकरण प्रदर्शन को ग्यारेन्टी र सम्भावित अवरोधहरु को लागी।
यसको एक स्ट्यान्डआउट सुविधाहरू मध्ये एक यसको फ्ल्याश मेमोरी हो, जसले कोड र डाटाको लागि गैर-अस्थिर भण्डारण प्रदान गर्दछ।एक अपरेटिंग भोल्टेज दायराको साथ 2.9 pr देखि .5..5 V सम्म स्पनिंगको साथ, यो माइक्रोकोन्ट्रोलर अत्यधिक बहुमुखी र विभिन्न अनुप्रयोगहरूमा अनुकूल छ।थप रूपमा, यसले -40 डिग्री सेल्सियसको दायरा -45 डिग्री सेल्सियसको दायरा प्रदान गर्दछ - to 85 डिग्री सेल्सियसलाई, विविध वातावरणीय सर्तहरूमा तैनातीको लागि उपयुक्त बनाउँदछ।
• MPSP430G235333333
• pic16F4444444444


कम शक्ति खपत: यसको बिल्लिटी मोड, निन्द्रा मोड, गहिरो निन्द्रा मोड र बन्द मोडले ब्याट्री जीवन र ऊर्जा बचत गर्न सक्दछ, जसले ब्याट्री जीवनलाई बढावा दिन सक्छ र ऊर्जा बचत गर्न सक्दछ।
उच्च प्रदर्शन: यसले उच्च-प्रदर्शन STM8 कोर वारसाती अपनाउँदछ, जसले अपरेटिंग आवदातको अनुमति दिन्छ, जसले निर्देशन कार्यान्वयन गतिको लागि सुधार गर्दछ र हाम्रा अनुप्रयोगहरूको लागि अझ प्रभावकारी कम्प्युटि propresses प्रगति प्रदान गर्दछ।
बहु संचार ईन्टरफेस: यसले विभिन्न विक्रेता इन्टरफेसहरू प्रदान गर्दछ 2 Carial परियार इन्टरफेसमेन्ट), I2C र HATAR।यी ईन्टरफेसको माध्यमबाट, यसले सजीलै कुराकानी र अधिक कार्यहरू र अनुप्रयोगहरू प्राप्त गर्न बाह्य उपकरणहरूसँग अन्तर्क्रिया गर्न सक्दछ।
प्रशस्त परिधीय: STM8S103F3P6 Mictrcontronger को प्रशस्त स्रोतहरू छन् जुन 1k किलोको रामको र्याम मेमोरी सहित, धेरै प्रयोग गरिएको ईन्टरफेसहरू, साथै gpio Pons, र Hart।यी परिधीय पदार्थहरूको विविधता विभिन्न अनुप्रयोग परिदृश्यको लागि उपयुक्त हुन्छ र बिभिन्न क्षेत्र र उद्योगहरूको आवश्यकताहरू पूरा गर्न सक्दछ।यो औद्योगिक नियन्त्रण, स्मार्ट घर, वा एम्बेडेड प्रणालीहरू, STM8S103FP3P6 ले समर्थन प्रदान गर्न सक्छ।

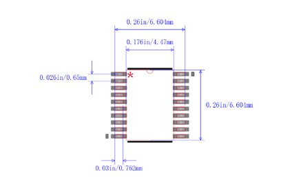
STM8S103F3P6 मा पातलो संकुचित सानो बाह्य रूपरेखा प्याकेज (TSSOP) मा प्याकेज गरिएको छ र 20 पिनहरू छन्।शरीर र नेतृत्व स्पेसिंग मानक सोनिक प्याकेजहरू भन्दा सानो छ।TSSOP को एक विशिष्ट सुविधा प्याकेज गरिएको चिप वरिपरि पिनको गठन हो, जसले यसलाई SMT टेक्नोलोजी प्रयोग गरेर पिरिंगको लागि उपयुक्त बनाउँछ।TSSAP प्याकेज प्रयोग गर्दा परजीवी प्यारामिटरहरू (आउटपुट भोल्टेज गडबड) हालको ठूलो परिवर्तनले गर्दा) साना हुन्छन्, त्यसैले यो उच्च-फ्रिक्वेन्सी अनुप्रयोगहरूको लागि उपयुक्त छ।यस प्रकारको प्याकेज अधिक सुविधाजनक र उच्च विश्वसनीयता छ।
TSSAP प्याकेज निम्न सुविधाहरू छन्:
• सानो पिन स्पेसिंग: पिन स्पेसिंग सामान्यतया 0.5mm वा 0.65mm हुन्छ।सर्किटर्ड बोर्डको तालक बारहरूको डिजाइन मार्फत, अधिक उपकरणहरू एकै क्षेत्र र आकारको साथ सर्किट बोर्डमा राख्न सकिन्छ।
• अनुप्रयोगको फराकिलो स्कोप: माइक्रोकोन्ट्रोलरहरू, DSPS, मेमोरी चिप्स, र शक्ति आपूर्ति चिप्स जस्ता विभिन्न अनुप्रयोग क्षेत्रहरूमा लागू गर्न सकिन्छ।
• उच्च पिन गणना: पिनहरूको संख्या सामान्यतया 20 देखि 64 64 को आसपास हुन्छ, जसले केही खाप एकीकरण आवश्यकताहरू पूरा गर्न सक्दछ।
• सानो प्याकेज साइज: साधारण सानो रूपरेखा (त्यसो भए) प्याकेजहरू, यसको प्याकेज आकार सानो छ, मोटाई हो, र आवाज सानो छ, यसलाई उच्च-घनत्वको एकीकृत सर्किटका लागि उपयुक्त बनाउँदछ।
• उच्च प्रदर्शन: यसले सतह माउन्ट टेक्नोलोजी अपनाउँछ, राम्रो संचालन र विरोधाभास प्रतिरोध हुन्छ, र विशेष आवश्यकताहरू, उच्च फ्रिक्वेन्सी, मिगिएटेशन र यस्तै विशेष आवश्यकताहरू पूरा गर्न सक्दछ।
अन्यथा निर्दिष्ट नभएसम्म, सबै भोल्टेजहरू VSS लाई बुझाउँछन्।
न्यूनतम र अधिकतम मानहरू सबैभन्दा प्रतिकूल परिस्थितिहरूको ग्यारेन्टी गरिन्छ, परिवेशको तापक्रम, आपूर्ति भोल्टेज, र फ्रिक्वेन्सीहरू समेट्ने।यी ग्यारेन्टीहरू कठोर उत्पादन परीक्षण मार्फत स्थापित उपकरणहरू मार्फत स्थापित छन्, ट्याएम = 2 ° ° c र TAMAX (छनौट गरिएको तापक्रम दायराबाट परिभाषित)।
विशेषता परिणामहरू, डिजाइन सिमुपेशन, र / वा प्राविधिक विशेषताहरू तालिका फुटनोटमा रेखांकित हुन्छन् र उत्पादन परीक्षणको अभाव छैन।विशेषताको बारेमा, न्यूनतम र अधिकतम मानहरू नमूना आकलनहरूसँग सम्बन्धित छ र प्लस वा श्रृंगारको दायरा वा मापदण्डको दायरा (मतलब ± 3σ) को दायरा (को दायरा]
जबसम्म स्पष्ट रूपमा अन्यथा भनिएको छैन, मानक डेटा ट्यान्ट = 2 ° डिग्री सेल्सियसको साथ स्थापित गरिएको छ र VDD = pl. v। यी मानहरू केवल परीक्षणको रूपमा प्रदान गरिएको छैन।
ADC मानहरूको विशिष्ट सटीकता पूर्ण तापमान दायराबाट नमूनाहरूको सेटको विशेषताबाट स्थापित हुन्छ।यस सन्दर्भमा, %%% उपकरणहरू निर्दिष्ट मान भित्र त्रुटि देखाउनुहोस् (मतलब ± 2σ)।
विशेष रूपमा संकेत गरी, सबै मानक ग्राफहरू केवल डिजाइन सन्दर्भको रूपमा अभिप्रेत छन् र परीक्षणको विषय भएको छैन।
निर्दिष्ट निरपेक्ष अधिकतम रेटिंग्स को लागी उपकरणमा स्थायी क्षति हुन सक्छ।यी रेटिंगहरूले उपकरण सहने सीमाहरू पूर्ण रूपमा संकेत गर्दछ, र यो उपकरणले यी सर्तहरूमा राम्रोसँग काम गर्दछ।अधिकतम रेटिंग्समा वा नजिकको सर्तहरूको जोखिमले उपकरणको विश्वसनीयता प्रभाव पार्न सक्छ।
उपकरणको मिसन प्रोफाइल, जसले यस अनुप्रयोग सर्तहरू, अनुरोधमा उपलब्ध मिशन प्रोफाइलहरूको साथ प्रयोग गर्दछ।
प्राथमिक नियामकका लागि स्थिरता प्राप्त गर्न, बाह्य उपेक्षाकर्ताले लेबल गरिएको सिक्वेलाई VAPP पिनमा जडान गर्नुपर्दछ।यो सुनिश्चित गर्न यो आवश्यक छ कि श्रृंखला प्रतियोगिता 1 15 NH भन्दा कम रहन्छ।
हालको खपत निम्न चित्रमा चित्रण गरिएको रूपमा मापन गरिएको छ।

रन मोडमा कुल आपूर्ति आपूर्ति
MCC निम्न शर्त अन्तर्गत राखिएको छ:
• सबै परिधीयहरू अक्षम छन् (घडीले जलाउने रेजिटिंग रेजिस्टरहरू द्वारा रोकिन्छ) बाहेक स्पष्ट उल्लेख गरिएको छ भने।
• सबै i / o o pince मा इनपुट मोडमा VDD वा VSS मा एक स्थिर मूल्यमा (कुनै लोड)
VDD र TA को लागी सामान्य अपरेटिंग सर्तहरूको विषय।

STM8S103F3PP मा 20 पिन छन्, यसको पिन नामहरू र कार्यहरू निम्नानुसार छन्:
पिन 1 (PD4 / Bep4 / टिम्स / UTE1 / URAT1 _क): पोर्ट D4
पिन 2 (PD5 / AIN5 / UART 1 _ _TX): पोर्ट D5
पिन3 (PD6 / Ain6 / UEAR1 _RX): पोर्ट D6
पिन 4 (nest): रिसेट
पिन 4 (p1 / OSCIN): पोर्ट A1
पिन 6 (P2 / OSCOUT): पोर्ट A2
पिन 7 (vss): डिजिटल मैदान
पिन dun (vcap): 1.8 v ventiermornergrorcars क्षमता
पिन 9 (VDD): डिजिटल पावर आपूर्ति
पिन10 (P3e3 / टिम 2_ CH3 [SPI_ NSS]): पोर्ट A3
पिन11 (PB5 / I2C_ SDA [TIS1_ BIKK]): पोर्ट बी।
पिन er2 (PB4 / I2C_ Scl): पोर्ट B4
PIN13 (pc3 / तिमोथी_च :: [तिमि 1_ Ch1n]: पोर्ट C3
PIN144 (pc4 / clk_co / टिम 1_ CH4 / Ain2 / Ain2 / [TIS1_ Ch2N]): पोर्ट C4
पिन 1 ((pc5 / spi_sck] [टिटी 2_ ch1]): पोर्ट C5
पिन sha6 (pc6 / scu6 / spi_mosi [तिमि 11_ Ch1]): पोर्ट सी
PIN17 (pc7 / spi_miso [TIS1_ Ch2]): पोर्ट C7
PIN18 (pd1 / पौडी): पोर्ट D1
PIN19 (PD2 / Ain3 / Ain3 / [टिम्प 2_ CH3]: पोर्ट D2
पिनवास 200 (PD3 / Ain4 / Ain4 / टिम 2__ CH2 / ADC_ ETR): पोर्ट D3
माथिको फिगरमा देखाइएको रूपमा, STM8S103FPP6P6 चिप, एडीओ, एडीसी, आदि जस्ता उद्देश्यहरूको लागि प्रयोग गर्न सकिन्छ। यसको म / o पिनहरू बिडाउने छौंबाह्य स signs ्केतहरू पढ्न वा बाह्य उपकरणहरूलाई संकेतहरू पठाउन इनपुट पिन वा आउटपुट पिनहरू को रूपमा प्रयोग गरियो।थप रूपमा, प्रत्येक I / O पिन स्वतन्त्र रूपमा अवरोधहरूको सही प्रशोधन गर्न को लागी एक अवरोध भेक्टर तोक्न सकिन्छ जब तिनीहरू हुन्छन्।
• स्वत: प्रयोग प्रणालीहरू: यो माइक्रोकोन्ट्रोलर स्वत: एट्रोमेन्ट प्रणालीहरूमा प्रयोग गर्न सकिन्छ जुन इलेक्ट्रिक पर्दाले, कदम नियन्त्रण र प्रकाश नियन्त्रण नियन्त्रण।
• iot (चीजहरूको इन्टरनेट) अनुप्रयोग: यदि हामीले IOT उपकरणहरूको विकास गर्न आवश्यक परेमा, यो आईट नोडहरू जडान गर्न र सञ्चार मोड्युलहरू जडान गर्न र नियन्त्रण गर्न सकिन्छ।
• व्यक्तिगत इलेक्ट्रोनिक उपकरणहरू: डिजिटल क्यामेरा, एमपी 3 र MP4 खेलाडीहरू, इलेक्ट्रोनिक खेल कन्सोलहरू, आदि
• इलेक्ट्रोनिक उपकरण: विभिन्न इलेक्ट्रोनिक उपकरणहरू विकास गर्न प्रयोग गरियो
जस्तै इलेक्ट्रोनिक खेलौना, रिमोट कन्ट्रोल, मिनी क्यालकुटरहरू, आदि।
• औद्योगिक क्षेत्र: plc, औद्योगिक नियन्त्रक, प्रशोधन र जहाज स्वत: नियन्त्रण उपकरणहरू, आदि मा प्रयोग गरिएको।
• डाटा अधिग्रहण र सेन्सर इन्टरफेस: वातावरणीय सर्तहरू र डाटा अनुगमन गर्न प्रयोग गरियो वा प्रकाश सेन्सर, तापमान संवेदकहरू, र आर्द्रता संवेदकहरू।
• इम्बेडेड नियन्त्रण प्रणाली: विभिन्न इम्बेडेड गरिएको नियन्त्रण प्रणालीहरू डिजाइन गर्न प्रयोग गरिएको, जस्तै घर उपकरणहरू, औद्योगिक उपकरण, पावर उपकरण, आदि धेरै सरल नियन्त्रण कार्यहरूको लागि पर्याप्त छ।
STM8S103F3P3 Tra TRIMROREERERERLICEINS द्वारा विकसित माइक्रोकोन्ट्रोलर चिप हो।यो--बिट माइक्रोकोन्ट्रोलरको STM8 परिवारसँग सम्बन्धित छ र विभिन्न इम्बेडेड गरिएका प्रणालीहरू र आईटेल अनुप्रयोगहरूमा व्यापक रूपमा प्रयोग गरिन्छ।
Stm8S103FP3P6P6 Microcuntrongly एकाइसँग 60 6400 बिट रोम, 10-बिट - च्यानल एडीसी, 1KB र्याक, 1KB र्याक, 1KB र्याक हो, 1KB र्याक र 8KB को मेमोरी आकारको साथ।
हामी STM8S13F3P6830G353337, PIC16003444444444444444444444444444444444444444444444, STM8S103F3P3, STM8S103F3P3PR वा STM8S103P3PTR।
हो, STM8S103F3P B कम शक्ति सुविधाहरूको साथ डिजाइन गरिएको हो र ब्याट्रीले संचालित वा कम-पावर अनुप्रयोगहरूमा प्रयोग गर्न सकिन्छ जहाँ ऊर्जा दक्षता आवश्यक छ।
STM8S103P3PP को केहि कुञ्जी सुविधाहरू जीपीओ (सामान्य उद्देश्य इनपुट / आउटपुट) पिन, U2C (क्रमीय त्रिवेनल ईन्टरफेयर) संचार, टाइमर, र अधिक।
हाम्रोबारे
प्रत्येक पटक ग्राहक सन्तुष्टि।आपसी विश्वास र साझा रुचिहरू।
लिथियम सिक्का सेल सेल CR2354 को प्राविधिक विवरण
2024-08-02
Onmega32 pa libcuntronerler को व्यापक गाईड
2024-08-02
ईमेल: Info@ariat-tech.comHK Tel: +852 30501966थप्नुहोस्: Rm 2703 27F हो किंग कमल सेन्टर २-१-16,
फा यूएन सेन्ट मोंगकोक काउलुन, ह Hongक Kong।